JK Flip-Flop
NAND and NOR Latches
NOR Latch

2-d vectors It can be constructed from a pair of cross-coupled NOR logic gates. The stored bit is present on the output marked Q. While the S and R inputs are both low, feedback maintains the Q and Q outputs in a constant state, with Q the complement of Q. If S (Set) is pulsed high while R (Reset) is held low, then the Q output is forced high, and stays high when S returns to low; similarly, if R is pulsed high while S is held low, then the Q output is forced low, and stays low when R returns to low.
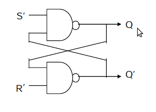
NAND Latch

This is an alternate model of the simple SR latch built with NAND logic gates. Set and reset now become active low signals, denoted S and R respectively. Otherwise, operation is identical to that of the SR latch. Historically, SR-latches have been predominant despite the notational inconvenience of active-low inputs
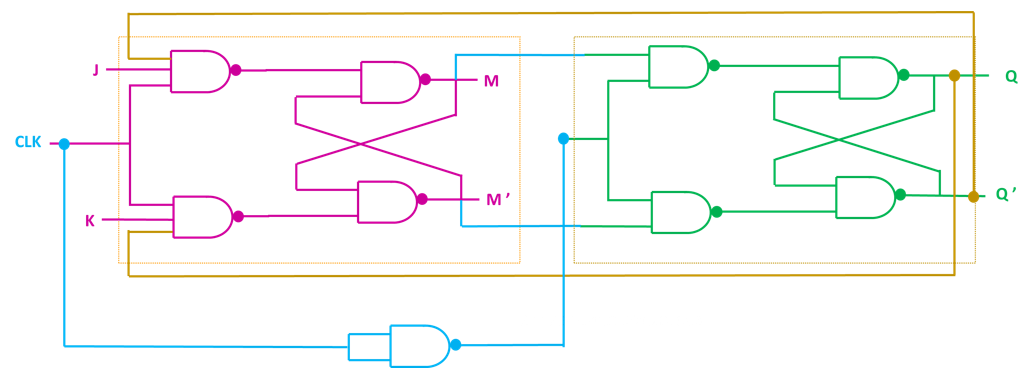
JK Flip Flop

JK flip flop is mostly implemented as Master Slave flip flop. The information present at at J and K inputs is transmitted to master flip-flop on positive edge of a clock pulse and held there until negative pulse occurs, after which it is allowed to pass through the slave flip-flop.
JK Timing Digram
The following Digram depicts the change of JK flip flop Output with time pulse. It is negativve edge triggered.

Truth Table
The following digram depicts the truth table of JK Flip Flop.
